Karavan Elektroniği Kurulumu

  • Konuyu Başlatan: Konuyu başlatan ibrahim çelik Tarih:
  • Başlangıç tarihi Yazılan Cevaplar:
  • Cevaplar 23
  • Okunma Sayısı: Görüntüleme 7,049

ibrahim çelik

Yeni Üye
Mesajlar
1
Tepkime Puanı
5
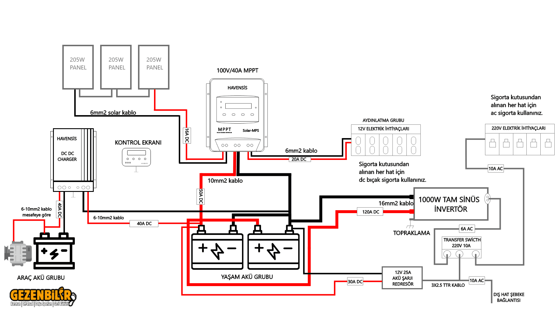
KARAVAN MONTAJI.png



Karavanda güneş enerji sisteminin kurulumu ve kablo kesitleri sigortaları şemaya göre dikkate alarak kolaylıkla yapabilirsiniz sorularınız olursa yardımcı olabilirim
 











.
Bu şema benim 12 V buzdolabımı güneşin olmadığı zaman nasıl besleyecek ? 🤔

Temel yaklaşım olarak şemayla ilgili şöyle düşünüyorum:
Önce ben karavana invertörün yakışmadığını düşünenlerdenim. Enerji gereksinimini arttırması ve kulağı ters eliyle göstermesi bir yana, her aletin karavanlar için 12 V versiyonu olduğu atlanmamalı. Evdeki şebeke çihazları sonuçta karavana anlamlı bir derman olamamaktalar. Tüm marka motokaravanlarda olduğu gibi bence de şebeke ve güneşten gelen enerji, aküde depolanıp yine oradan tüketilmeli.
En basiti, en güvenlisi, en ucuzu, en verimlisi bu yol.

Ayrıca karavanımdaki 90 W solar paneliyle kompresör buzdolaplı sistemimden yola çıkarsam, 615 W solar kapasitesi bana kışları bile biraz abartılı geldi. Üstelik karavancılar bilir, bu kadar panele her panelvanda yer bulmak da kolay değil.
Sisteme elektrikçi gözünden evvel, karavancı gözüyle bakılması yanlış olmazdı sanırım. Hatta sistem bendeki gibi tek panele düşerse, PWM regülatör bile yeterli olmakta.

Diğer bir nokta da iç dirençleri yüzünden çoklu akü yerine, ayni kapasitedeki tek bir aküyü, daha hızlı dolma avantajı yüzünden tercih ederdim. DC/DC çevirici kullanımında tabii LFP akü en uygun özelliklere sahip durumda.

Son olarak da Havenses’in fiyatının çoktan Victron’u yakaladığını hatırlatayım.
Sanırım aceleyle övmemden fazla etkilenmiş olmalılar ? 😋

Tam, alternatör tek kutuplu nasıl çalışır diye soracak iken, bakın konu nerelere geldi..
Sağdaki gri renkli hatlar da diğerleri gibi işlenseydi, fena olmazdı sanırım. Benim gibi %99 karavancının mesleği elektrik değil çünkü. Bizler gibi montaja gelince terlemeye başlayanların elinde, ikileme düşürmeyecek detaylı dökümanlar olmalı.


Umarım Bülent ve Ferhat beylerden yazılanların sağlamasını duyarız ?
İbrahim beye de hamama (karavana) giren terler diyelim.😉 Zaten kendisi de aletleri sadece örnek olarak seçmiş olmalı ?
Foruma hoş geldiniz İbrahim bey. 🙂




Akülerin artı kutbuna sigorta konulması üzerine daha evvel iki üç kere yazdığından Teoman beyin hassasiyetini iyi biliyorum ama invertör girişindeki sigortanın ayni etkiyi verip veremeyeceğinde tereddüt ettiğimden sorusuna hemen cevap veremedim.
Şimdi tekrar düşündüm, sanırım hat uzunca korumasız kalmakta.. Belki gerçekte ikisi de hemen yan yana düşünülmüştür ?
Umarım benim gibi yukarıdaki aletlerin çoğunu eline bile almamış bir internet elektrikçisine, artık hiç olmazsa kıytırık bir stajyer belgesini esirgemez ? 😊
 
Son düzenleme:



Akü + çıkışlara sigorta koymak gerekir.
Araç aküsünün + çıkışına da , servis akülerinin yük için kullanılan + çıkışlarına da. Aküye en yakın olacak şekilde

.
Bu şema benim 12 V buzdolabımı güneşin olmadığı zaman nasıl besleyecek ? 🤔

Temel yaklaşım olarak şemayla ilgili şöyle düşünüyorum:
Ben karavana invertörün yakışmadığını düşünenlerdenim. Enerji gereksinimini arttırması ve kulağı ters eliyle göstermesi bir yana, her aletin karavanlar için 12 V versiyonu olduğu atlanmamalı. Evdeki şebeke çihazları sonuçta karavana anlamlı bir derman olamamaktalar. Tüm marka motokaravanlarda olduğu gibi bence de şebeke ve güneşten gelen enerji, aküde depolanıp yine oradan tüketilmeli.
En basiti, en güvenlisi, en ucuzu, en verimlisi bu yol.

Ayrıca karavanımdaki 90 W solar paneliyle kompresör buzdolaplı sistemimden yola çıkarsam, 615 W solar kapasitesi bana kışları bile biraz abartılı geldi. Üstelik karavancılar bilir, bu kadar panele her panelvanda yer bulmak da kolay değil.
Sisteme elektrikçi gözünden evvel, karavancı gözüyle bakılması yanlış olmazdı sanırım. Hatta sistem bendeki gibi tek panele düşerse, PWM regülatör bile yeterli olmakta.

Diğer bir nokta da iç dirençleri yüzünden çoklu akü yerine, ayni kapasitedeki tek bir aküyü, daha hızlı dolma avantajı yüzünden tercih ederdim. DC/DC çevirici kullanımında tabii LFP akü en uygun özelliklere sahip durumda.

Son olarak da Havenses’in fiyatının çoktan Victron’u yakaladığını hatırlatayım.
Sanırım övmemden fazla etkilenmiş olmalılar ? 😋

Tam alternatör tek kutuplu nasıl çalışır diye soracak iken, bakın konu nerelere geldi..
Gri renkli hatlar da diğerleri gibi işlenseydi, fena olmazdı sanırım. Benim gibi % 99 karavancının mesleği elektrik değil çünkü. Bizler gibi montaja gelince terlemeye başlayanların elinde, ikileme düşürmeyecek dökümanlar olmalı.


Umarım Bülent ve Ferhat beylerden yazılanların sağlamasını duyarız ?
İbrahim beye de hamama (karavana) giren terler diyelim.😉 Zaten kendisi de aletleri sadece örnek olarak seçmiş olmalı.
Foruma hoş geldiniz İbrahim bey. 🙂




Akülerin artı kutbuna sigorta konulması üzerine daha evvel iki üç kere yazdığından Teoman beyin hassasiyetini iyi biliyorum ama invertör girişindeki sigortanın ayni etkiyi verip veremeyeceğinde tereddüt ettiğimden sorusuna hemen cevap veremedim.
Şimdi tekrar düşündüm, sanırım hat uzunca korumasız kalmakta.. Belki gerçekte ikisi de hemen yan yana düşünülmüş olmalı ?
Umarım benim gibi yukarıdaki aletlerin çoğunu eline bile almamış bir internet elektrikçisine, artık hiç olmazsa kıytırık bir stajyer belgesini esirgemez ? 😊
Usta öğretici belgesini,sizi takip edenler tarafından çok öncesinden tarafınıza verildiğini düşünüyorum.🙂
Karavan elektrik sistemi konularında bilgi karmaşası olmaması ve daha doğru bilgiler için victron energy ürünlerinin kullanım kılavuzlarını incelemeleri doğru olacaktır.
Selamlar
 


Usta öğretici belgesini,sizi takip edenler tarafından çok öncesinden tarafınıza verildiğini düşünüyorum.🙂

Bülent bey benimki internet filozofluğu. Vakti bol meraklı bir emeklinin eline bilgisayar verilip internete salınınca böyle oluyor. Ben sadece güvenilir web sayfalarından ya da forumlardan birkaç kere teyit ettirdiğim bilgileri yazıyorum.

Fakat biliyorsunuz laf ile tecrübe farklı şeyler.
Siz beni röle ile araç aküsü arasındaki 100Amperlik sigortayı ameliyat eldivenli ve kontakları havlularla örterek ancak yarım saatte değiştirdiğim zaman yahut tekli solar sistemimi neredeyse 4 saatte o da kan ter içinde titreyerek montaj yaparken görecektiniz. 🥴

Sanırım Ziya paşa tam da bu durum için söylemiş.
Ayinesi iştir kişinin lafa bakılmaz
Şahsın görünür rütbe-i aklı eserinde
 
Son düzenleme:

Bülent bey benimki internet filozofluğu. Vakti bol meraklı bir emeklinin eline bilgisayar verilip internete salınınca böyle oluyor. Ben sadece güvenilir web sayfalarından ya da forumlardan birkaç kere teyit ettirdiğim bilgileri yazıyorum.

Fakat biliyorsunuz laf ile tecrübe farklı şeyler.
Siz beni röle ile araç aküsü arasındaki 100Amperlik sigortayı ameliyat eldivenli ve kontakları havlularla örterek ancak yarım saatte değiştirdiğim zaman yahut tekli solar sistemimi neredeyse 4 saatte o da kan ter içinde titreyerek montaj yaparken görecektiniz. 🥴

Sanırım Ziya paşa tam da bu durum için söylemiş.
Ayinesi iştir kişinin lafa bakılmaz
Şahsın görünür rütbe-i aklı eserinde
Yazınızın burası önemli ! bir kaç kere teyid edilen bilgileri yazıyorum (Doğrucu Davud) isabetli olmuş.... O kadar çok bilgi karmaşası varki, teknik sorular karşısında olması gerekeni söylemeye çalışırken, bir bakıyorsunuz forum sayfası toz duman içinde 🙂 onun içindir ki bazı zamanlar okuyup geçmek daha iyi oluyor.
Sağlıklı günler dilerim, selametle
 




12v ihtiyaç ve aydınlatma için Mppt cihazdan direk hat çekilmiş, akü desteği yok,
Bu da güneş varsa 12v var demek değilmidir.
Güneş regülatör yük çıkışı sürekli açık ayarında kullanılabiliyor. Bu çıkış da aküyü kullanır. Bu bağlantının avantajı, herhangi bir nedenle akü gerilimi kritik değere düşerse, ışıkların yanmaması dolayısıyla da durumu farketmek olacaktır. Yoksa başka bir avantaj veya dezavantajı yok.
 

Gezenbilir bilgi kaynağını daha iyi bir dizin haline getirebilmek için birkaç rica;
- Arandığında bilgiye kolay ulaşabilmek için farklı bir çok konuyu tek bir başlık altında tartışmak yerine veya konu başlığıyla alakalı olmayan sorularınızla ilgili yeni konu başlıkları açınız.
- Yeni bir konu açarken başlığın konu içeriğiyle ilgili açık ve net bilgi vermesine dikkat ediniz. "Acil Yardım", "Lütfen Bakar mısınız" gibi konu içeriğiyle ilgili bilgi vermeyen başlıklar geç cevap almanıza neden olacağı gibi bilgiye ulaşmayı da zorlaştıracaktır.
- Sorularınızı ve cevaplarınızı, kısaca bildiklerinizi özel mesajla değil tüm forumla paylaşınız. Bildiklerinizi özel mesajla paylaşmak forum genelinde paylaşımda bulunan diğer üyelere haksızlık olduğu gibi forum kültürünün kolektif yapısına da aykırıdır.
- Sadece video veya blog bağlantısı verilerek açılan konuların can sıkıcı olduğunu ve üyeler tarafından hoş karşılanmadığını belirtelim. Lütfen paylaştığınız video veya blogun bağlantısının altına kısa da olsa konu başlığıyla alakalı bilgiler veriniz.

Hep birlikte keyifli forumlar dileriz.


GEZENBİLİR TV

Abone Olun

GEZENBİLİR'İ TAKİP EDİN

Forum istatistikleri

Konular
105,162
Mesajlar
1,534,483
Kayıtlı Üye Sayımız
167,057
Kaydolan Son Üyemiz
R.KICIR

Çevrimiçi üyeler



Geri
Üst