Ynt: Led Mini Lüks Lambası Projesi
Eveet, bu akşam şarj göstergesi hariç 11W lambamız tamamlandı
...
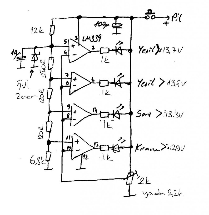
Bozulan röleyi ve şarj akımını ayarlayan dirençleri pillere göre değiştirdim.
Dış gövdenin etrafına forklift iç lastiğinden bir bilezik kestim, hem hafifçe görünen pilleri gizledi, hem de koruma sağlayacak. Lastiğin alt kısmını boş bıraktım böylece şarj ve gösterge ledleri yarı saydam gövdenin arkasından ışık verecek. Açma kapama düğmesi ve şarj bağlantısı yerlerini Dremel ile açtım.
Bitmiş hali ve şarj kablosunu takınca ledlerin görünüşü aşağıda...
Performans denemeleri ve karşılaştırma resimleri de "aaaz sonraaa"
Eveet, bu akşam şarj göstergesi hariç 11W lambamız tamamlandı
Bozulan röleyi ve şarj akımını ayarlayan dirençleri pillere göre değiştirdim.
Dış gövdenin etrafına forklift iç lastiğinden bir bilezik kestim, hem hafifçe görünen pilleri gizledi, hem de koruma sağlayacak. Lastiğin alt kısmını boş bıraktım böylece şarj ve gösterge ledleri yarı saydam gövdenin arkasından ışık verecek. Açma kapama düğmesi ve şarj bağlantısı yerlerini Dremel ile açtım.
Bitmiş hali ve şarj kablosunu takınca ledlerin görünüşü aşağıda...
Performans denemeleri ve karşılaştırma resimleri de "aaaz sonraaa"

