Vitara'yı Aldım Sonra.??

  • Konuyu Başlatan: Konuyu başlatan dr_musty Tarih:
  • Başlangıç tarihi Yazılan Cevaplar:
  • Cevaplar 120
  • Okunma Sayısı: Görüntüleme 15,356
Ynt: Vitara'yı Aldım Sonra.??

Haklısınız Mustafa hocam.iyice düşündüm tüm değişimleri birden yapacağım.Yükseltme lastik dif lock tampon sepet vinç alt koruma ön lsd kilit.Cenk arkadaşımızdaki sepet ve bulbarlı tampon gözümde neredeyse gece rüyalarıma girecek :smiley: bakalım biraz toparlanayım hepsi olacak inşallah.kullandığım araçlara gelince ford 190 bin km de motor yedi nissan 101 bin km de motor yedi hilux ve land crusier gerçekten sağlamdılar.ama vitara hiç yolda koymadı beni 1993 model 3 kapı karbüratörlü vitarayla 8 ayda 30 000 km yaptım ve bunun yaklaşık 20 000 km si arazide yapıldı ve gittiğim tüm yerlere tek araç gittim hiç yolda kalırım korkusu yaşamadım.Vitara gerçekten çok düzgün çok kullanışlı bir araç.Ona suv demek haksızlık yapmaktır bence.
 

Etiketler
Ynt: Vitara'yı Aldım Sonra.??

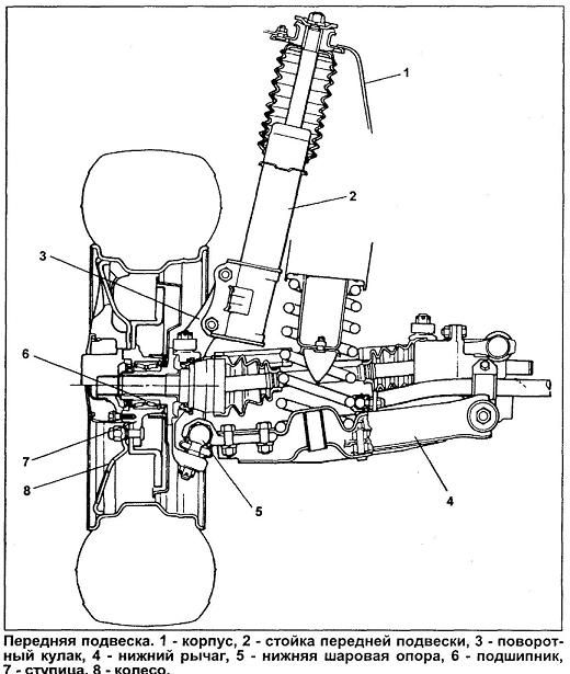
Çift/Tek salıncak olayına geri dönecek olursak henüz öyle bir ayrım bulamadım ama burada biraz bilgi var:

http://www.obitet.gazi.edu.tr/obitet/suspansiyon_sis/onsus_sis1.htm

Temel ayrım aksın çift/tek salıncak oluşu değil linkteki ikinci resimdeki serbest askı/sabit dingil ayrımı. Serbest askıdaki yol tutuş avantajı tekerleklerin birbirinden bağımsız olarak farklı yüksekliklerde olabilmesinden kaynaklanıyor. Sabit dingilin avantajı ise basit ve bu sebeple daha sağlam olması. Doğru dürüst kaliteli bir malzeme ile üretilirse ve bakımsız bırakılmazsa kolay kolay kırılmayacaktır. Dez avantajı ise dikey hareket serbestisindeki kısıtlar sebebi ile yaşanan yol tutuş problemleri (bol bol görürsünüz devrilen defenderları...)

Serbest askı aracın sol tekerleği ile sağ tekerleği arasındaki yükseklik farkının yükünü belli bir noktadan sonra kendi çekiyor (o nokta gelmeden önce süspansiyon yaylarının tamamen kapanması sorunu hafifletecektir) sabit dingil ise aracın eğimini bozuyor ve o yükü taşımıyor. Bu sebeple yukarıdaki mesajlardan birinde off road aktiviteleri arasında geçen kayaların üzerinden dolaşma işini vitara ile yapmasanız daha iyi olur demiştim.

Çift/tek salıncak şeklindeki opsiyonları ise ayrıca inceleyip anlamak gerekecek.
 

Ynt: Vitara'yı Aldım Sonra.??

Kürşat bey gerçekten faydalı bir link koymuşsunuz yolladığınız cvbınıza.sabit aks da aktarma orgının içinden geçen tek parça halinde bir malzeme bulunuyor yani tek teker yukarı çıkarken aynı oranda diğer teker iniyor acaba bu durum arka tekerler içinde geçerli mi?eğer değilse vitaraların aksının kesmesi kadar muhtemel land roverin arka tekeleri geride bırakması.ve ben serbest aks olan vitaranın kaya tırmanışlarında tek parça olmaması sebebiyle kolay kolay aks keseceğine inanmıyorum.sanırım o sağlamlığı getirmişlerdir araçlarına.
 

Ynt: Vitara'yı Aldım Sonra.??

Kürşat bey gerçekten faydalı bir link koymuşsunuz yolladığınız cvbınıza.sabit aks da aktarma orgının içinden geçen tek parça halinde bir malzeme bulunuyor yani tek teker yukarı çıkarken aynı oranda diğer teker iniyor acaba bu durum arka tekerler içinde geçerli mi?eğer değilse vitaraların aksının kesmesi kadar muhtemel land roverin arka tekeleri geride bırakması.ve ben serbest aks olan vitaranın kaya tırmanışlarında tek parça olmaması sebebiyle kolay kolay aks keseceğine inanmıyorum.sanırım o sağlamlığı getirmişlerdir araçlarına

O durum arka tekerlekleri için de geçerli bu nedenle yol tutuşu vasat oluyor o sistemi kullanan araçların.
Aks kesme durumu ile askın tek ya da çift parça olması arasındaki bağlantıyı göremedim. Serbest akslı araçta o bağlantı noktasında ne var ona bakmak lazım.
Kayaların üzerinden geçerken serbest aksın daha fazla zorlanması ise tasarımından dolayı gayet normal görünüyor bana.
 

Ynt: Vitara'yı Aldım Sonra.??

yani evet sanırım bağlantı noktasını iyice incelemek lazım eğer sağlam bir malzeme kullanıldı ise sorum çıkacağını sanmıyorum.hayır kullandım ordan biliyorum.
 



Ynt: Vitara'yı Aldım Sonra.??

Ben kullanmış olduğunuz defenderın malzeme kalitesinden şüpheliyim. Otokar'ın ürettiği araçlardan biri miydi?
Hatırlar mısınız Toyota Türkiyeye ilk geldiğinde Sabancı ile üretim konusunda da ortaktılar. Sabancı Türk çeliği ile üretim yapmak istedi ondan sonra yolları ayırdılar.
Toyota'dan bir yetkilinin Türk çeliği ile Japon otomobili üretilmez dediğini gayet net bir şekilde hatırlıyorum.
 

Ynt: Vitara'yı Aldım Sonra.??

yok hayır otokar değildi.ingiliz bir defender di ve bakımları sürekli yapılmış bir araçtı.ben biraz hor kullandım aracı evet ama yinede aynı şekilde kullandığım vitaramda sorun çıkmadı sadece ön tablalar arası freyes borusu kırıldı onu da farkatmeden yaklaşık 1000 km bindim ama yinede sorun çıkarmadı ses yapmaya başlayınca çok sağlam bir şekilde yeni boru kaynatarak sorunu çözmüştüm.
 

Ynt: Vitara'yı Aldım Sonra.??

Bakım derken neler yapılmıştı mesela? Motor yağı değişimi fren balatası değişimi falansa bunların aksa bir faydası yok.
O aksın yağsız kalmadığını ve doğru dürüst bir malzemeden üretildiğini ve ara sıra temizlenip yeniden yağlandığını varsayarsak kesilmesine imkan yok.
Belki aks kafasının içine toz girmesine sebep olabilen bir tasarım farkı ya da arıza vardır ona da bakmak lazım.
Farklı tasarıma sahip bir aracın farklı bakımlara ihtiyacı olabilir ve bunu umursamadan düz mantık bakım yapan bir ustaya da denk gelmiş olabilirsiniz.
 

Ynt: Vitara'yı Aldım Sonra.??

bilmiyorum artık ama her araziden sonra lifte kaldırır aracımı lastikleri söker temizler ve yağlarım ve bundna öncede öyle yaptım.ama dedimya şansızlık bende ki ve imkansız diye birşey yok işte gelebiliyor bir şekilde başımıza.
 

Ynt: Vitara'yı Aldım Sonra.??

Neyse... her ne olduysa artık bir açıklama bulmak oldukça zor. Defenderları zaten sevmezdim şimdi tamamen sildim defterden ;D Siz ucuz kurtulmuşsunuz bakın neler geliyor insanların başına http://www.gezenbilir.com/index.php?topic=60184.0
 



Ynt: Vitara'yı Aldım Sonra.??

evet bu ilanı daha önce inceledim allah rahmet eylesin.suzuki arazi ve şehiriçi kullanımını birleştirebilen ekonomik bir araç gerçekten.
 

Ynt: Vitara'yı Aldım Sonra.??

evet bu ilanı daha önce inceledim allah rahmet eylesin.suzuki arazi ve şehiriçi kullanımını birleştirebilen ekonomik bir araç gerçekten.

Evet suzuki o işin öncüsüydü zannedersem. Diğerleri sonradan geldi suzukiden daha da ileri giderek araçları yavaş yavaş iyice binek araca benzettiler. Değişikliğin sebebi de çeşitli güvenlik kaygılarından ve "arazi aracı" alan çoğu insanın aslında arazi aracına ihtiyacı olmamasından kaynaklanıyor. Gelinen noktada jip gibi görünen araçların çoğunun yerden yüksektilmiş, süspansiyonu sertleştirilmiş ve 4x4 çekiş sistemi takılmış normal bir binek araçtan pek bir farkları yok.
 

Ynt: Vitara'yı Aldım Sonra.??

evet mesela suzukinin yeni kasasında arazi şanzumanı yok o da biraz uzaklaştı araziden ve bence hata ettiler bunca suzuki sever varken.
 

Ynt: Vitara'yı Aldım Sonra.??

evet mesela suzukinin yeni kasasında arazi şanzumanı yok o da biraz uzaklaştı araziden ve bence hata ettiler bunca suzuki sever varken.

Bildiğim kadarı ile Suzukinin yeni kasasında gövdeden ayrı şase de yok. O da kaza anındaki güvenlik ile ilgili bir konu ama tam bilmiyorum sebebini. Fazla sağlam şase ve gereğinden daha kalın saçtan yapılmış ve gerekli yerlerde zayıf noktalar bırakılmamış kaporta kaportanın akordion gibi yamularak darbenin şiddetini emmesini engelliyor bu da kaza anında iç kanamadan ölüme sebep olabiliyor. Bunun şasenin gövdeden ayrı oluşu ile bir ilgisi var mı onu bilmiyorum ama muhtemelen ilgili konulardır. Benzer sebeplerle arazi tamponu, bull-bar, çelik karter koruma vs gibi şeyler de işten eve gitmek için kullandığınız aracınızda bulunmaması gereken şeyler. İşin özeti arazi aracının yeri arazidir, şehre sokunca binek araçlara benzemeye başlıyorlar, şehirde jip kullanmaya ne gerek var gibi eleştirilere maruz kalıyorlar, konu ile ilgili olmayan insanların çoğu bilmiyor tabi jip gibi görünen o araçların aslında jip olmadığını.:smiley:
 

Ynt: Vitara'yı Aldım Sonra.??

Hayırlı olsun aracınız. Aslında bende V6 bakıyor idim aotumatic tercih edecektim. Ama forumları okuyunca kafam karıştı.
Sizin aracınız güzel gözüküyor. Alma aşamasında ne yaptınız, Ustaya gösterme, pazarlık aşaması, fiyat neydi pazarlık kaça bitti. sonra ek masraf çıkt mı? biraz bilgi verebilir misiniz? teşekkürler.
 



Ynt: Vitara'yı Aldım Sonra.??

Merhabalar,
Tek-çift salıncak, sabit aks gibi konular biraz kafaları karıştırmış ve ortamı germiş sanırım.
LR, LC gibi araçları ön dingilleri sebebiyle aynı katagoriye alıp off-road açısından bir gömlek üstte değerlendirmişsiniz anladığım kadarıyla.
Doğru olabilir.
Ancak Dakar şampiyonluklarını göz önünde bulundurup Mitsubishi Pajero'larda da Suzuki Vitara'lar ile benzer ön süspansiyon sisteminin bulunmasına ne diyorsunuz?
Selamlar.

[attachment=1]

[attachment=2]



olasiliksiz' Alıntı:
Ben yeterince araştırdığım kanısındayım. Çift salıncak süspansiyon o kadar dayanıklı olsaydı land rover defender, toyota land cruiser türünden araçlarda sabit aks kullanılıp aracın yol tutuşu gereksiz yere bozulmazdı. Çift salıncak süspansiyonlu araçlarla off road yapanlar aracın bozulan parçalarını bozuldukla değiştiriyorlardır. Vitarada aracın gövdesinden bağımsız şase var bu nedenle hiç olmazsa aracın kendisine zarar gelmiyor. Ama aynı durum süspansiyon ve akslar için geçerli değil. Biraz paranız bolsa o parçalara sarf malzemesi gözüyle bakabilirsiniz tabi o zaman vitaradan da "tam offroad aracı" olur. Tercih meselesi.

0210.jpg


26.jpg
 

Gezenbilir bilgi kaynağını daha iyi bir dizin haline getirebilmek için birkaç rica;
- Arandığında bilgiye kolay ulaşabilmek için farklı bir çok konuyu tek bir başlık altında tartışmak yerine veya konu başlığıyla alakalı olmayan sorularınızla ilgili yeni konu başlıkları açınız.
- Yeni bir konu açarken başlığın konu içeriğiyle ilgili açık ve net bilgi vermesine dikkat ediniz. "Acil Yardım", "Lütfen Bakar mısınız" gibi konu içeriğiyle ilgili bilgi vermeyen başlıklar geç cevap almanıza neden olacağı gibi bilgiye ulaşmayı da zorlaştıracaktır.
- Sorularınızı ve cevaplarınızı, kısaca bildiklerinizi özel mesajla değil tüm forumla paylaşınız. Bildiklerinizi özel mesajla paylaşmak forum genelinde paylaşımda bulunan diğer üyelere haksızlık olduğu gibi forum kültürünün kolektif yapısına da aykırıdır.
- Sadece video veya blog bağlantısı verilerek açılan konuların can sıkıcı olduğunu ve üyeler tarafından hoş karşılanmadığını belirtelim. Lütfen paylaştığınız video veya blogun bağlantısının altına kısa da olsa konu başlığıyla alakalı bilgiler veriniz.

Hep birlikte keyifli forumlar dileriz.


GEZENBİLİR TV

Abone Olun

GEZENBİLİR'İ TAKİP EDİN

Forum istatistikleri

Konular
105,128
Mesajlar
1,533,735
Kayıtlı Üye Sayımız
167,027
Kaydolan Son Üyemiz
cemal crt

Çevrimiçi üyeler

Şu anda çevrimiçi üye yok.


Geri
Üst