chaos_54
Kamp I
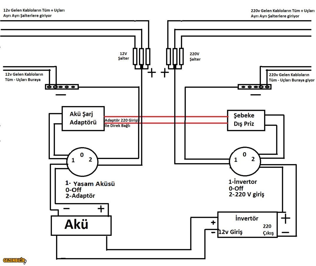
Merhabalar bende çok aradım ama istediğim gibi bulamamıştım. Biraz uğraşarak kendi yaptığım şekli ekteki resimle anlatmaya çalıştım. İnanıyorum ki birçok kişiye faydalı olacaktır. Resmi paintte yaptım kusura bakmayın pek istediğim gibi olmadı ama sizlere faydalı olacaktır.Panoda kullanılan malzemelerin listesi ve devre bağlantı şeması tam olarak öğrenmek istediğim..Forumda çeşitli paylaşımları okudum ama en taze ve güncel uygulama sizdeki..vakit bulduğunuzda yanıtlarsanız sevinirim(Ben henüz planlama ve malzeme belirleme aşamasındayım o yüzden acil bir durum yok)Teşekkür ederim

